Bauzeichner Hamburg
Bautechniker Fachrichtung Tiefbau (staatlich geprüft)

Sebastian Andresen

Der Anfang war die Lehre zum Stahlbetonbauer. Nach einigen Jahren Praxiserfahrung entschloss ich mich für eine Weiterbildung zum staatlich geprüftem Bautechniker Fachrichtung Tiefbau. Darauf arbeitete ich in diversen technischen Büros und entschloss mich letztlich zur Selbstständigkeit.

Als freier Mitarbeiter / Freiberufler / Freelancer unterstütze ich Sie in der Gegenwart bei Planungsleistungen, wie Bauzeichnungen und Konstruktionsplänen jeglicher Art, in allen möglichen Bauvorhaben.

Mein Werdegang

Der Weg ist das Ziel - Nach diesem Motto gestaltet sich mein ganzes Leben.

Gemeinsam können wir maßgeschneiderte Lösungen für Sie entwickeln.

Gehen Sie mit mir gemeinsam den Weg und wir werden das angestrebte Ziel erreichen. Treten Sie ganz einfach mit mir in Verbindung.

CSA Planungsbüro
Leistungen.

CSA unterstützt Sie bei der Realisierung von Tiefbauwerken aller Art in Hamburg und Umgebung. Ob Ingenieurbau, Brückenbau, Wasserbau, Spezialtiefbau oder Grundbau, wir finden für Sie die passende Lösung.

Letzte Projekte.

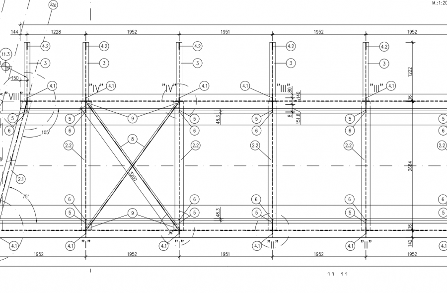
  • WBR Trogbauwerk Veddel

  • WBR Trogbauwerk 15

  • Bewehrungsplan

    WBR Trogbauwerk Veddel

  • Bewehrungsplan

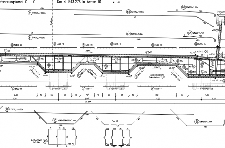
    EÜ Hudenbarg

  • EÜ Hudenbarg

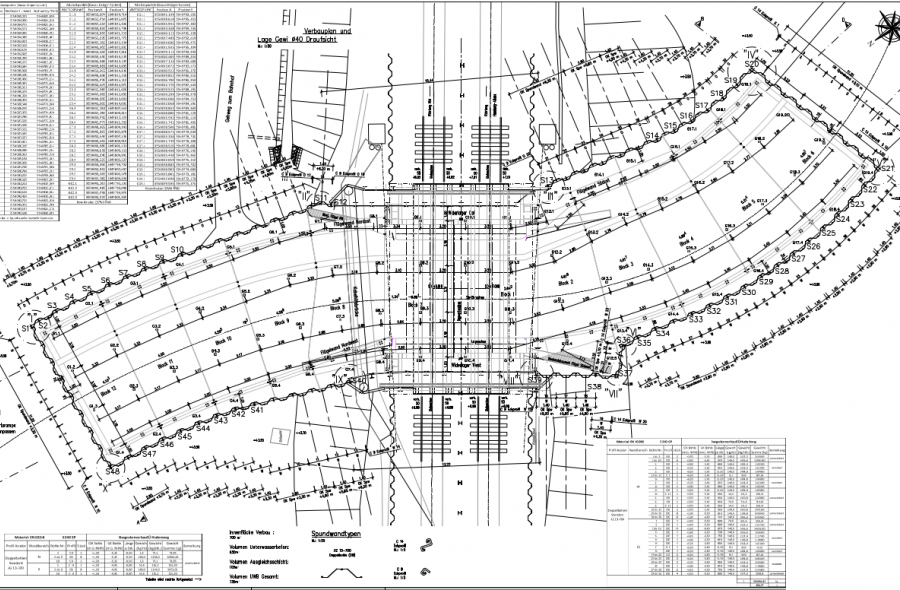
  • EÜ Hudenbarg Rammplan

  • Abwicklung Rammplan

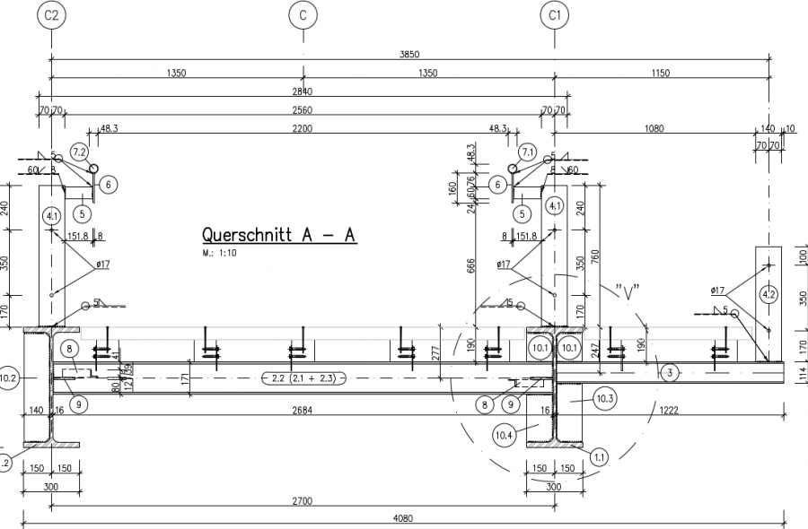
  • Hilfsbrücke Planausschnitt

  • Querschitt Hilfsbrücke

  • Ansicht Lastturm

    CSA HH

    CSA Construction Service Andresen.

    Adresse


    Construction Service Andresen
    Mokrystraße 4
    21107 Hamburg, DE
    © CSA | Alle Rechte vorbehalten.
    WepsMedia Agentur.